Im Moment liege ich mit einer starken Erkältung flach, Zeit etwas für den Blog zu schreiben und euch zu zeigen wie es mit der Absauganlage weiter geht.
Wie im letzten Beitrag beschrieben bekommt unsere zentrale Absaugung auch eine Steuerung. Diese soll Elektropneumatisch den passenden Absperrschieber zur Maschine öffnen und die Absaugung selbst schalten.
Zum Einsatz kommt, wie auch schon bei unserem Druckluft-Anlagen Selbstbauprojekt, eine Siemens Logo Kleinsteuerung.
Ein paar Hintergründe
Ja, man kann solche Lösungen fertig kaufen und so viel teurer sind diese im Vergleich mit unserem Aufbau auch gar nicht. Aus Neuteilen würde sich der Aufbau nicht lohnen, weswegen wird auf einiges an Lagermaterial (Reihenklemmen etc.) aber auch Gebrauchtteilen aus Anlagenrückbauten (Siemens Logo, Schaltnetzteil) zurückgegriffen haben. Einzig das Verteilergehäuse mussten wir neu kaufen.
Hier unsere Gründe eine Siemens Logo einzusetzen:
- Betriebsstundenzähler digital, gesamt und pro Maschine
- Anlauf/Abschaltverzögerung pro Maschine einstellbar
- Zeit- und Differenzdruckgesteuerte automatische Filterabreinigung (Zukünftige Erweiterung)
- Jederzeit erweiter- und neu programmierbar
Schaltschrank
Damit das ganze Geraffel staubgeschützt werkeln kann musste ein passendes Gehäuse her. Das sollte auch nicht zu sehr auftragen, trotzdem aber genug Platz für eine komfortable Verdrahtung bieten. Gefunden haben wir den Hensel KV 9220 Kleinverteiler, jeweils mit einer „offenen“ und einer verblendeten Hutschiene.

Auf dem Foto fehlt noch der Motorschutzschalter, der wird links neben die Logo kommen. Die Anschlüsse sind bereits vorbereitet.
Programmierung
Wenn man „klassich“ programmieren kann ist die grafische Programmierweise der Logo anfangs gewöhnungsbedürftig, manche Dinge ein regelrechter Krampf. Mittlerweile habe ich meinen Frieden
Für diese vergleichsweise einfache Steuerung habe ich inklusive Debugging circa 2 Stunden gebraucht. Hier ein etwas älterer Stand, die Grundfunktionen für 6 Maschinen sind jedoch schon drin.

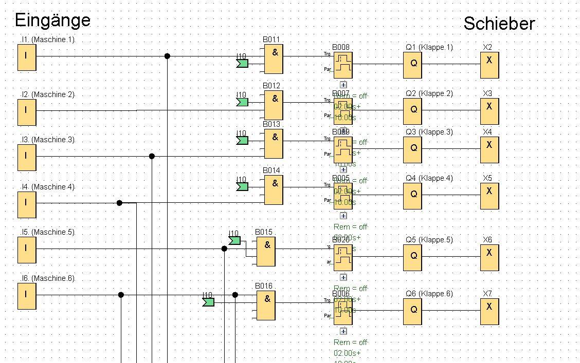
Hier mal eine kleine Erläuterung zur Maschinenerkennung.

- Eingang I1 geht auf die UND Verknüpfung B011. Über Verbindung zu I10 wird abgefragt ob sich die Absaugung im Schaltzustand „EIN“ befindet.
- Sind beide Zustände „Ja“, also ist die Maschine aktiv und die Steuerung eingeschaltet, wird der Zeit-Bausteil B008 ausgelöst. Hier findet eine Einschalt- und Ausschaltverzögerung statt.
- Q1 schaltet dann die zur Maschine gehörige Klappe bzw. den Schieber
- X2 ist eine sogenannte End-Klemme und muss immer als Abschluss gesetzt werden wenn sich keine weiteren Funktionen anschließen.
Übertragen wir das Programm komfortabel via LAN. Super dabei ist der Live-Modus, mit welchem man die Schaltzustände der Anlage grafisch im Blockdiagramm mitverfolgen kann.
Bedienung & Funktionen
An der Front befinden sich drei Bedienelemente. Ein Drehschalter zur Wahl des Betriebsmodus (Automatik mit Maschinenerkennung sowie Dauer-Ein), ein Taster für Start und einer für Stopp (wird noch gegen „rot“ getauscht.
Praktischweise hat der Platz im Kleinverteiler super hingehauen und ich konnte die Standard-Kontaktelemente verwenden, musste also nicht auf die Mini-Elemente mit Klemmverbindung ausweichen.

Die manuelle Startfunktion können wir nutzen falls wir doch noch manuelle Schieber (z.B. für einen Bodensauger oder eine Kehrklappe) hinzufügen möchten. In der Regel werden wir wohl den Automatikmodus nutzen.
Montage & Anschluss
Hier kommt wieder eines meiner Lieblingswerkzeuge zum Einsatz – auf den Geschmack gebracht hat mich Fabian, der während seines Camper Umbaus ziemlich viele Gewinde in Blech benötigte und eine pneumatische Gewindenietzange mitbrachte.
Sollte ich den Schaltschrank noch mal runternehmen/umbauen wollen halte ich mir so alle Optionen offen.

Bisher befand sich an dieser Stelle ein kleines Gehäuse mit Motorschutzschalter sowie LED für die Differenzdrucküberwachung. Beide Teile werden im neuen System wiederverwendet.
Mit unter 3 kW benötigt der Motor weder einen Stern-Dreieck Anlauf noch anderweitige Beschaltung, sondern kann in der Regel „hart“ durchgeschaltet werden.
Und so sieht der Eimer fertig montiert aus.

Maschinenerkennung
Auf dem Markt verfügbare Absaugsteuerungen nutzen meistens eine Strom-Wandlerspule welche proportional zum Strom der Maschine eine Spannung ausgibt. Wenn jede Maschine in einer zentralen Unterverteilung separat angeschlossen ist, ist das auch eine super Lösung.
Bei uns sieht die Stromverteilung jedoch (historisch) anders aus. Es hängen mehrere Maschinen an einem Abzweig, was auch grundsätzlich Regelkonform ist. Solange man nicht über den Auslösestrom der Leitungsschutzschalter kommt – platt gesagt nicht mehr Maschinen parallel nutzt als die Sicherung verträgt – ist das auch kein Problem.
Würde ich nun bei Strecken bis 12m eine Stromwandlerspule verwenden, so wäre der Verluststrom sowie die mögliche Störung durch andere Verbraucher möglicherweise ein Problem. Entweder löst die Erkennung dann gar nicht aus oder es gibt Phantom-Starts der Absaugung. Grund ist, dass aus den Wandlerspulen in der Regel nur 1-2V rauskommen, was sich auf lange Distanz schwer übertragen lässt.
Die Lösung sind sogenannte Stromschalter, welche bei einer Erkennung (gleiches Prinzip, Stromwandler) einen Transistor durchschalten. Darüber lässt sich das Signal dann mit 24V übertragen, was wiederum für die Siemens Logo Steuerung der richtige Eingangspegel ist.
Zu finden sind diese Einheiten unter dem Namen Stromerkennungsschalter bzw. Typen M3050 oder M3086. Über das Trimpoti lässt sich die Empfindlichkeit sehr gut einstellen, z.B. auch für Maschinen mit sehr kleiner Leistungsaufnahme.
Damit das ganze nicht in die Maschinen selbst eingebaut werden muss habe ich eine kleine Anschlussbox angefertigt, hier in der 230V Version für die Kappsäge. Über den Schalter lässt sich die Absaugung für die Maschine bei Bedarf auch auf Dauer-EIN oder komplett Aus schalten.





